Geothermal Engineering

Harnessing the power of geothermal energy requires precision, expertise, and innovation. We combine these elements to deliver cutting-edge geothermal engineering solutions. 

Engineering Solutions

Our engineers, work planners, and designers are committed to creating solutions that perfectly fit your project’s needs. We specialize in areas such as project management, work preparation, certificate management, drafting, and maintenance coordination.

 

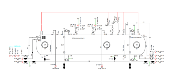
Every project is unique, which is why we offer customized solutions, including tailored P&IDs, plot plans, and detailed calculations — covering heat and noise studies, line sizing, and more. Safety is a core value: our solutions protect your workforce and equipment while meeting the highest industry standards.

 

With our expertise, you can rely on high-quality, tailored solutions that drive efficiency, safety, and success — every time.

Contact us to learn how our  innovative geothermal engineering can deliver solutions tailored to your specific needs.

Equipped for Solutions: Geothermal

Elevate your projects with Bakker Flow Services, the partner for high-quality products and services in the geothermal, oil & gas and process industry sector.